Welcome to the official website of Shenzhen Jiadingsheng Electronic Technology Co., Ltd.
24-hour service hotline:0755-85222629
Home -Products -Pulsator Switch

Pulsator Switch

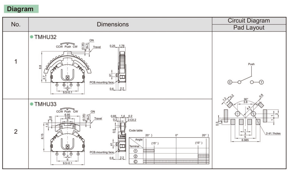
TMHU32
TMHU32

Product Categories: Pulsator Switch

Service Hotline:0755-85222629

Product consultation

Product Details

2.jpg
3.jpg
Copyright © Shenzhen Jiadingsheng Electronic Technology Co., Ltd. 粤ICP备2020125574号